Skip to content
:>)azZTechs#

:>)azZTechs#

Jazz guitar, gears, technics, partitions…

  • Library
  • Gears
  • Musicians

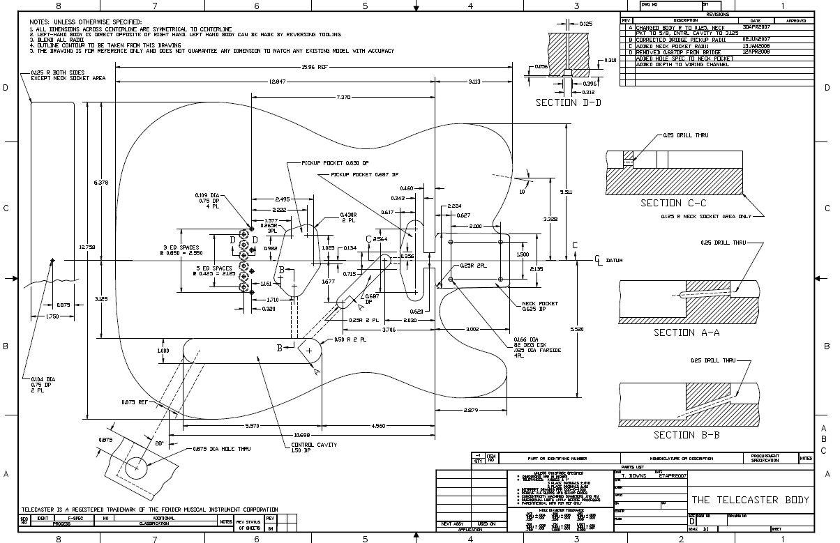
tele dimensions

May 28, 2014 Return to: Telecaster 1951, by Leo FenderFull resolution (1204 × 779)

Image navigation

Previous Image
Next Image

Select your Category or your Song

Category Cloud

Accessories Album Amps Biography Blues Brazil Chords Effects Electrics/Physics Fun Funk Gears Guitar/Archtop... Guitarists Lessons Licks Manouche/Gypsy Manufacturing Methods Média Partitions Practices Rhythms Réglages/Tuning Scales Solfège Sonorisation telecaster project Theorie Uncategorized

selected originals on Deezer.

deezer
Deezer Playlist

Tags

Accessories Album Alfie All the Things You Are Amps Arpegio Autumn leaves Biography Black Nile Blues Blues for Yna Yna Brazil Cantaloupe Island Chitlins Con Carne Chords Classic Concerts/Events Effects Electrics/Physics Flamenco Four Fun Funk Funk in a deep freeze Gears Guitar/Archtop... Guitarist Hardbop History interview Jam Jean Pierre Lessons Licks Little boat Little SunFlower Luthiers Lyrics Manouche/Gypsy Manufacturing Methods Misc Musette Média Nica's Dream Partitions Pick Up the Pieces Practices Psychedelic Sally Public Address Recorda Me Recording Reggae Rhythms Road Song Réglages/Tuning Scales Solar Solfège Sonorisation So What Speaker Stolen Moments Stratocaster project Strings Summertime telecaster project Theorie There Will Never be Another You Training Welcome Workshop

Guitar Addict

  • ChordBook Tuner, chords, scales…
  • Fender Guru Guide for vintage fender amps
  • Guitar Lesson Word Theory, Chords & Scales
  • GuitarnBlues (Guitar pieces)
  • Jazz Guitar online
  • Jazz Manouche info
  • The Gibson ES335.Org All about the ES335

Jazz Addict

  • :>)azZClefs# Soul/Jazz Atelier
  • Bobby's Backing Tracks High Quality Backing tracks
  • Deezer JazzTechs Playlist Most of the tunes are in this playlist
  • funics
  • Jazz Standards
  • Jazzclass (Online training class)
  • The Reak Book Online backgrounds

Recent Comments

Did's avatarDid on DI Box – Boîtiers d…
Tristan Watson Graham's avatarTristan Watson Graha… on Block chord soloing
How To Play The Guit… on The diatonic Seventh Chor…
Bob B's avatarBob B on 12AX7, 12AT7, & 12AU7 Prea…
Christopher Nowak BFA MLIS's avatarChristopher Nowak BF… on Joe Pass : Ain’t Misbeha…

Meta

  • Create account
  • Log in
  • Entries feed
  • Comments feed
  • WordPress.com
Blog at WordPress.com.
  • Comment
  • Subscribe Subscribed
    • :>)azZTechs#
    • Join 61 other subscribers
    • Already have a WordPress.com account? Log in now.
    • :>)azZTechs#
    • Subscribe Subscribed
    • Sign up
    • Log in
    • Copy shortlink
    • Report this content
    • View post in Reader
    • Manage subscriptions
    • Collapse this bar